Planując remont łazienki, kuchni czy budowę domu, szybko natrafiamy na pojęcie "punktu hydraulicznego" w cennikach fachowców. Zrozumienie, czym dokładnie jest ta jednostka rozliczeniowa, jest absolutnie kluczowe, by świadomie zarządzać budżetem i uniknąć nieporozumień z wykonawcą. Pozwala to na precyzyjne oszacowanie kosztów i efektywne planowanie prac.
Punkt hydrauliczny klucz do zrozumienia kosztów instalacji w Twoim domu
- Punkt hydrauliczny to standardowa jednostka rozliczeniowa w cennikach hydraulików, oznaczająca doprowadzenie instalacji wodnej (ciepła i zimna woda) oraz kanalizacyjnej do jednego urządzenia sanitarnego lub AGD.
- Obejmuje on kompletne podłączenie jednego odbiornika, np. umywalki, prysznica, WC czy pralki, a także podłączenie grzejnika (punkt centralnego ogrzewania).
- Fachowcy liczą każdy "odbiornik" wody lub element instalacji centralnego ogrzewania jako osobny punkt.
- Średnie ceny robocizny za wykonanie jednego punktu hydraulicznego w Polsce wahają się od 150 zł do 400 zł, bez kosztów materiałów.
- Na ostateczną cenę wpływają takie czynniki jak lokalizacja (większe miasta są droższe), rodzaj instalacji (nowa vs. przeróbka starej), użyte materiały (miedź, PEX, PP) oraz stopień skomplikowania prac.
- "Biały montaż", czyli fizyczne zamontowanie urządzeń, zazwyczaj nie jest wliczony w cenę punktu hydraulicznego i stanowi osobną usługę.
Tajemniczy "punkt" w cenniku hydraulika: prosta definicja dla każdego
W branży instalacyjnej, kiedy rozmawiamy o kosztach, często pojawia się termin "punkt hydrauliczny" lub "podejście". Najprościej rzecz ujmując, jest to standardowa jednostka wyceny prac instalacyjnych, która oznacza doprowadzenie kompletnej instalacji zarówno ciepłej, jak i zimnej wody, a także odpływu kanalizacyjnego do jednego konkretnego urządzenia sanitarnego lub AGD. To właśnie na podstawie liczby takich punktów hydraulik wycenia swoją robociznę.
Dlaczego zrozumienie tego pojęcia to klucz do kontroli nad budżetem?
Dla każdego, kto planuje remont lub budowę, znajomość definicji i sposobu liczenia punktów hydraulicznych jest absolutnie niezbędna. Dzięki temu możesz świadomie porównywać oferty różnych fachowców, precyzyjnie oszacować koszty robocizny i uniknąć nieporozumień na etapie rozliczeń. Kiedy wiesz, co wchodzi w skład punktu, możesz dopytać o szczegóły i upewnić się, że wycena jest kompleksowa i zgodna z Twoimi oczekiwaniami. To daje Ci kontrolę nad budżetem i pozwala uniknąć nieprzyjemnych niespodzianek.

Co dokładnie obejmuje jeden punkt hydrauliczny?
Instalacja wodno-kanalizacyjna (wod-kan): co obejmuje standardowe podejście?
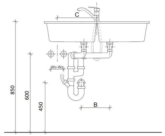
Standardowo, jeden punkt hydrauliczny w kontekście instalacji wodno-kanalizacyjnej obejmuje kompletne przygotowanie przyłączy dla jednego urządzenia. Oznacza to doprowadzenie rur z ciepłą i zimną wodą do miejsca podłączenia baterii lub zaworów, a także wykonanie odpływu kanalizacyjnego. Całość jest przygotowywana w ścianie lub podłodze, tak aby po położeniu płytek i montażu urządzeń wszystko było estetycznie ukryte i funkcjonalne.
Przykłady z życia wzięte: jak liczyć punkty dla umywalki, prysznica i pralki?
Aby lepiej zrozumieć, jak liczone są punkty, posłużmy się konkretnymi przykładami. Pamiętajmy, że każdy "odbiornik" wody jest liczony jako osobny punkt:
- Umywalka: doprowadzenie ciepłej i zimnej wody oraz odpływ kanalizacyjny to jeden punkt.
- Wanna/prysznic: analogicznie, doprowadzenie wody do baterii i podłączenie odpływu również stanowi jeden punkt.
- Pralka/zmywarka: doprowadzenie zimnej wody i podłączenie odpływu to kolejny, osobny punkt.
- WC (sedes/stelaż podtynkowy): doprowadzenie zimnej wody do spłuczki i podłączenie do kanalizacji liczymy jako jeden punkt.
Jeśli więc w łazience masz umywalkę, prysznic, toaletę i pralkę, hydraulik policzy łącznie cztery punkty hydrauliczne.
Punkt centralnego ogrzewania (C. O. ): czy podłączenie grzejnika to też punkt?
Tak, podłączenie grzejnika również jest liczone jako punkt, choć jest to punkt centralnego ogrzewania (C.O.), a nie wodno-kanalizacyjny. Obejmuje on doprowadzenie zasilania i powrotu z instalacji centralnego ogrzewania do grzejnika. Chociaż to inny typ instalacji, w praktyce fachowcy często wyceniają punkty C.O. podobnie do punktów wod-kan, traktując je jako równoważne jednostki pracy.
"Biały montaż" a wykonanie punktu: gdzie leży granica usługi?
To jedno z najczęstszych nieporozumień, z którymi spotykam się w mojej pracy. Wykonanie punktu hydraulicznego oznacza zazwyczaj samo przygotowanie instalacji w ścianie lub podłodze czyli doprowadzenie rur i odpływów do właściwych miejsc. Natomiast fizyczne zamontowanie urządzeń sanitarnych, takich jak umywalka, bateria, toaleta, kabina prysznicowa czy wanna, to tzw. "biały montaż". Zazwyczaj jest to osobna usługa i nie jest wliczona w cenę wykonania punktu. Zawsze warto to doprecyzować z hydraulikiem na etapie wyceny, aby uniknąć późniejszych rozczarowań.
Klienci często nie wiedzą, czy "biały montaż" (czyli fizyczne zamontowanie umywalki, baterii, toalety) jest wliczony w cenę wykonania punktu. Zazwyczaj jest to osobna usługa, a punkt hydrauliczny oznacza samo przygotowanie instalacji w ścianie/podłodze.

Ile kosztuje punkt hydrauliczny? Analiza cen i czynników wpływających na koszt
Średnie widełki cenowe w Polsce: czego spodziewać się w wycenie?
Koszt wykonania jednego punktu hydraulicznego w Polsce jest dość zróżnicowany. Na podstawie mojego doświadczenia mogę powiedzieć, że średnie ceny robocizny (bez kosztów materiałów) wahają się od 150 zł do nawet 400 zł za punkt. Warto pamiętać, że są to jedynie widełki, a ostateczna cena może być wyższa w przypadku bardzo skomplikowanych instalacji, niestandardowych rozwiązań czy konieczności gruntownej modernizacji starego systemu.
Lokalizacja ma znaczenie: jak ceny różnią się w zależności od województwa?
Jednym z kluczowych czynników wpływających na cenę usług hydraulicznych jest lokalizacja. Z moich obserwacji wynika, że w dużych aglomeracjach miejskich, takich jak Warszawa, Kraków czy Wrocław, ceny są zazwyczaj wyższe niż w mniejszych miastach czy na wsiach. Wynika to z wyższych kosztów utrzymania działalności, większego popytu i ogólnie wyższych stawek rynkowych w tych regionach.
Nowa instalacja vs. przeróbka starej: co jest droższe i dlaczego?
Z reguły wykonanie nowej instalacji, na przykład w stanie deweloperskim, jest często tańsze niż przeróbki i modernizacja starej, istniejącej instalacji. Dlaczego? Przy nowej instalacji hydraulik ma czystą przestrzeń do pracy, może swobodnie poprowadzić rury i nie musi martwić się o demontaż czy kucie. Natomiast przeróbki starej instalacji często wiążą się z większym nakładem pracy kucie w twardych materiałach (np. żelbecie), usuwanie starych rur, konieczność dostosowania się do istniejących warunków. To wszystko generuje dodatkowe godziny pracy i podnosi koszt usługi.
Wpływ materiałów (miedź, PEX, PP) na ostateczny kosztorys
Rodzaj użytych rur i złączek ma znaczący wpływ na całkowity kosztorys instalacji. Oto krótkie porównanie:
- Miedź: Jest to materiał trwały i estetyczny, ale jednocześnie najdroższy. Rury miedziane są cenione za swoją odporność na korozję i wysoką temperaturę, ale ich montaż jest bardziej pracochłonny i wymaga specjalistycznych narzędzi, co może nieco podnieść cenę robocizny.
- PEX/Al/PEX (rury wielowarstwowe): Stanowią dobry kompromis między ceną a jakością. Są elastyczne, łatwe w montażu i odporne na korozję. Materiał jest tańszy od miedzi, a montaż szybszy, co może przełożyć się na niższy koszt robocizny.
- PP (polipropylen): To najtańsza opcja. Rury PP są odporne na osadzanie się kamienia i korozję, ale ich montaż wymaga zgrzewania, co może być czasochłonne. Są najbardziej ekonomiczne, ale nie zawsze sprawdzają się w każdej instalacji.
Wybór materiału zależy od Twoich preferencji, budżetu i specyfiki instalacji. Zawsze doradzam, aby nie oszczędzać na jakości, gdyż to inwestycja na lata.
Jak zaplanować rozmieszczenie punktów hydraulicznych w domu?
Ergonomia w łazience i kuchni: kluczowe zasady planowania
Planowanie rozmieszczenia punktów hydraulicznych to nie tylko kwestia techniczna, ale przede wszystkim ergonomiczna. Zawsze powtarzam moim klientom, że trzeba myśleć perspektywicznie o układzie urządzeń. Zastanów się, jak będziesz korzystać z łazienki czy kuchni na co dzień. Gdzie najlepiej umieścić umywalkę, aby było wygodnie? Jakie odległości zachować między sprzętami? Dobrze zaplanowane punkty to gwarancja komfortu użytkowania, łatwości sprzątania i estetyki. Pamiętaj o odpowiednich wysokościach montażu baterii i odpływów, aby uniknąć późniejszych problemów z dopasowaniem armatury.
Współpraca z hydraulikiem: o co zapytać i jakich informacji udzielić?
Płynna współpraca z hydraulikiem to podstawa sukcesu. Oto, o co moim zdaniem warto zapytać i jakie informacje przygotować:
- Szczegółowa wycena: Poproś o dokładny kosztorys, który jasno określa cenę za punkt, materiały i ewentualne dodatkowe usługi (np. biały montaż, kucie).
- Zakres usług: Upewnij się, co dokładnie wchodzi w skład ceny punktu. Czy obejmuje on tylko robociznę, czy także podstawowe materiały montażowe?
- Doświadczenie i referencje: Zapytaj o poprzednie realizacje i poproś o referencje. Dobry fachowiec chętnie pochwali się swoją pracą.
- Precyzyjne plany: Dostarcz hydraulikowi dokładne plany pomieszczeń z naniesionymi wymiarami i oczekiwanym rozmieszczeniem urządzeń. Im więcej szczegółów, tym mniejsze ryzyko błędów.
- Oczekiwania dotyczące umiejscowienia: Jasno określ, na jakiej wysokości mają być przyłącza, gdzie ma stać pralka, a gdzie zmywarka. Nawet drobne szczegóły mają znaczenie.
Najczęstsze błędy przy punktach hydraulicznych i jak ich unikać
Błędne umiejscowienie odpływów i przyłączy: konsekwencje złego planu
Jednym z najczęstszych i najbardziej kosztownych błędów jest błędne zaplanowanie i umiejscowienie odpływów oraz przyłączy. Widziałem już wiele sytuacji, gdzie po położeniu płytek okazywało się, że odpływ umywalki jest za wysoko, bateria koliduje z lustrem, a stelaż podtynkowy WC jest zamontowany krzywo. Konsekwencje są zawsze te same: konieczność kosztownych poprawek, kucie świeżo położonych ścian, dodatkowe wydatki i frustracja. Dlatego tak ważne jest, aby na etapie projektu wszystko dokładnie wymierzyć i skonsultować z fachowcem.
Niewłaściwe spadki i średnice rur: ukryte problemy, które wyjdą po latach
Prawidłowe spadki rur kanalizacyjnych i odpowiednie średnice rur wodnych to fundament bezproblemowo działającej instalacji. Niestety, często są to elementy, na których próbuje się oszczędzać lub które są niedokładnie wykonane. Niewłaściwy spadek rur kanalizacyjnych może prowadzić do częstych zatorów i nieprzyjemnych zapachów. Z kolei zbyt małe średnice rur wodnych mogą skutkować niedostatecznym ciśnieniem wody, zwłaszcza gdy jednocześnie korzystamy z kilku punktów. To są ukryte problemy, które mogą nie ujawnić się od razu, ale po latach staną się prawdziwą zmorą, wymagającą kosztownych interwencji.
Przeczytaj również: Ile kosztuje hydraulik 2026? Cennik, porady i jak nie przepłacić
Oszczędność na materiałach: dlaczego to się nigdy nie opłaca?
Jako hydraulik z doświadczeniem zawsze przestrzegam przed fałszywą oszczędnością na jakości materiałów instalacyjnych. Kusząca może być wizja niższych kosztów na początku, ale w dłuższej perspektywie użycie tanich, niskiej jakości komponentów to prosta droga do problemów. Mówię tu o awariach, przeciekach, pękających rurach, korozji czy nieszczelnych złączkach. Takie usterki nie tylko generują znacznie wyższe koszty napraw, ale także mogą spowodować poważne zalania i zniszczenia w całym domu. Instalacja hydrauliczna to serce budynku warto zainwestować w solidne i sprawdzone rozwiązania, które zapewnią spokój na długie lata.






