Klucz do zrozumienia schematów hydrauliki siłowej praktyczny przewodnik dla każdego technika
- Podstawą interpretacji schematów hydraulicznych jest norma PN-EN ISO 1219-1, ujednolicająca symbole graficzne.
- Schematy standardowo przedstawiają układ w stanie spoczynku (nieaktywnym), co stanowi punkt wyjścia do analizy.
- Kluczowe grupy symboli to elementy wykonawcze, sterujące (zawory), zasilające (pompy, zbiorniki) oraz pomocnicze.
- Rodzaj linii na schemacie (ciągła, przerywana, kropkowana, falista) precyzuje funkcję połączenia.
- Analizę schematu należy prowadzić strukturalnie, śledząc przepływ oleju od zasilania do odbiornika i z powrotem.
- Największe wyzwania to zrozumienie złożonych symboli rozdzielaczy i śledzenie przepływu w rozbudowanych układach.
Umiejętność czytania schematów hydraulicznych klucz do sukcesu w Twojej pracy
Jako praktyk, wiem, że biegła interpretacja schematów hydrauliki siłowej to jedna z tych umiejętności, która decyduje o efektywności i bezpieczeństwie pracy. Wyobraź sobie sytuację, w której maszyna przestaje działać, a Ty musisz szybko zdiagnozować usterkę. Bez zrozumienia schematu, szukanie problemu przypominałoby błądzenie we mgle. Schemat to mapa, która prowadzi Cię prosto do źródła awarii, pozwalając na precyzyjne wskazanie uszkodzonego elementu lub błędnego połączenia. To oszczędność czasu, pieniędzy i nerwów.
Co więcej, umiejętność czytania schematów to nie tylko diagnozowanie, ale także unikanie kosztownych błędów serwisowych. Zanim zaczniesz cokolwiek demontować czy wymieniać, schemat pozwala Ci zrozumieć, jak dany komponent wpływa na cały układ. Dzięki temu możesz podjąć świadome decyzje, unikając pomyłek, które mogłyby doprowadzić do dalszych uszkodzeń lub nieprawidłowego działania maszyny. To fundament, na którym buduje się prawdziwe zrozumienie działania maszyn hydraulicznych.
Fundamenty, bez których nie ruszysz dalej podstawowe zasady i normy
Zanim zagłębimy się w szczegóły, musimy ustalić wspólny język. W świecie hydrauliki siłowej tym uniwersalnym językiem jest norma PN-EN ISO 1219-1. To ona ujednolica symbole graficzne, dzięki czemu schemat stworzony w Polsce będzie zrozumiały dla technika w Japonii czy Stanach Zjednoczonych. Bez znajomości tej normy, próba interpretacji schematu jest jak czytanie książki bez znajomości alfabetu.
Ogólna logika budowy typowego schematu jest zawsze podobna: zaczynamy od zasilania, przechodzimy przez elementy sterujące, docieramy do odbiornika (elementu wykonawczego), a następnie wracamy do zbiornika. To podstawowy obieg, który będziemy śledzić w każdym układzie. Pamiętaj, że schematy to nie chaotyczne zbiory symboli, lecz logicznie uporządkowane reprezentacje działania maszyn.
Bardzo ważną zasadą, o której często zapominają początkujący, jest to, że schematy hydrauliczne standardowo przedstawiają układ w stanie spoczynku (nieaktywnym). Oznacza to, że wszystkie zawory są w swoich pozycjach neutralnych, pompy pracują bez obciążenia (jeśli układ jest uruchomiony, ale nieaktywny), a siłowniki są w pozycji początkowej. Jest to nasz punkt wyjścia do analizy działania układu i musimy o tym zawsze pamiętać.

Alfabet hydrauliki siłowej opanuj najważniejsze symbole graficzne
Poznanie symboli to pierwszy i najważniejszy krok do opanowania sztuki czytania schematów. Każdy symbol to skrócona informacja o funkcji, budowie i sposobie działania danego elementu. Poniżej przedstawiam kluczowe grupy symboli, które musisz znać, bazując na normie PN-EN ISO 1219-1. Z mojego doświadczenia wynika, że solidne opanowanie tej sekcji to 80% sukcesu.
Grupa zasilająca serce całego układu (pompy, silniki, zbiorniki)
Elementy zasilające to te, które dostarczają energię do układu. Bez nich, żadna maszyna hydrauliczna nie ruszy. To one generują przepływ i ciśnienie, które następnie są sterowane przez pozostałe komponenty.
-
Pompy hydrauliczne:
- Pompa o stałej wydajności (trójkąt wypełniony skierowany na zewnątrz).
- Pompa o zmiennej wydajności (trójkąt wypełniony skierowany na zewnątrz z ukośną strzałką).
-
Silniki napędowe (napędzające pompy):
- Silnik elektryczny (okrąg z literą "M").
- Silnik spalinowy (okrąg z literą "IC").
-
Zbiorniki:
- Zbiornik otwarty (prostokąt z linią u góry).
- Zbiornik ciśnieniowy (prostokąt z linią u góry i strzałką wskazującą ciśnienie).
Elementy wykonawcze czyli kto wykonuje pracę? (siłowniki i silniki hydrauliczne)
Elementy wykonawcze to odbiorniki energii hydraulicznej, które przekształcają ją w ruch mechaniczny. To one faktycznie "wykonują pracę" w maszynie.
-
Siłowniki hydrauliczne:
- Siłownik jednostronnego działania (prostokąt z jednym przyłączem i sprężyną).
- Siłownik dwustronnego działania (prostokąt z dwoma przyłączami).
- Siłownik teleskopowy (kilka prostokątów jeden w drugim).
-
Silniki hydrauliczne:
- Silnik hydrauliczny jednokierunkowy (okrąg z trójkątem wypełnionym skierowanym do wewnątrz).
- Silnik hydrauliczny dwukierunkowy (okrąg z dwoma trójkątami wypełnionymi, skierowanymi do wewnątrz).
Mózg operacji: Jak czytać symbole zaworów sterujących?
Zawory hydrauliczne to bez wątpienia najliczniejsza i najbardziej złożona grupa symboli. To one decydują o kierunku, ciśnieniu i natężeniu przepływu oleju, a tym samym o tym, jak zachowa się cały układ. Ich prawidłowa interpretacja jest kluczowa dla zrozumienia logiki sterowania maszyną.
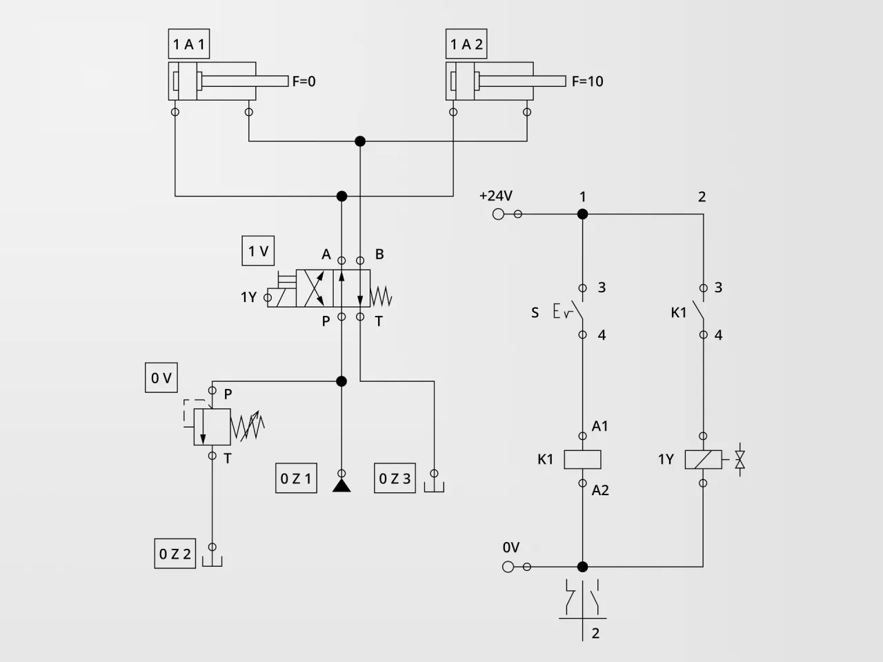
Rozdzielacze klucz do sterowania kierunkiem przepływu (drogi, położenia, rodzaje sterowania)
Rozdzielacze to serce sterowania kierunkiem przepływu. Ich symbolika może wydawać się skomplikowana, ale po opanowaniu podstaw staje się logiczna. Pamiętaj, że rozdzielacz jest zawsze przedstawiony w stanie spoczynku. Interpretujemy go, patrząc na liczbę kwadratów (położeń) i liczbę przyłączy (dróg). Na przykład, rozdzielacz 4/3 oznacza cztery drogi (przyłącza) i trzy położenia. Rodzaje sterowania (np. ręczne dźwignią, elektryczne cewką, hydrauliczne ciśnieniem pilotażowym) są symbolizowane po bokach kwadratów. To jedna z najtrudniejszych do opanowania grup symboli, ale jednocześnie najważniejsza dla zrozumienia sekwencji działania.
Zawory ciśnieniowe strażnicy bezpieczeństwa i wydajności (przelewowe, redukcyjne)
Zawory ciśnieniowe to kluczowe elementy dla bezpieczeństwa i stabilności pracy układu. Chronią go przed przeciążeniami i zapewniają utrzymanie wymaganego ciśnienia w różnych jego częściach.
- Zawory przelewowe (bezpieczeństwa): Symbolizowane są jako kwadrat z linią poziomą i sprężyną, z linią sterującą od góry. Otwierają się, gdy ciśnienie przekroczy nastawioną wartość, odprowadzając nadmiar oleju do zbiornika.
- Zawory redukcyjne: Podobne do przelewowych, ale z linią sterującą od dołu. Redukują ciśnienie w danej gałęzi układu do niższej, stałej wartości, niezależnie od ciśnienia wejściowego.
Zawory dławiące i regulatory jak kontrolować prędkość siłowników?
Jeśli chcesz kontrolować prędkość ruchu elementu wykonawczego, potrzebujesz zaworów sterujących natężeniem przepływu. To one "dławią" przepływ oleju, spowalniając ruch siłownika lub silnika hydraulicznego.
- Zawory dławiące: Symbolizowane jako zwężenie w linii z ukośną strzałką (regulowane) lub bez (stałe). Po prostu ograniczają przepływ.
- Regulatory przepływu: Bardziej zaawansowane, utrzymują stałe natężenie przepływu niezależnie od zmian ciśnienia. Symbolizowany jako zawór dławiący z dodatkową linią sterującą ciśnieniem.
Przeczytaj również: Jaki olej hydrauliczny do Liebherr? Uniknij kosztownych awarii!
Ciche wsparcie, czyli symbole osprzętu (filtry, chłodnice, akumulatory)
Te elementy często są niedoceniane, ale ich rola w utrzymaniu sprawności i długowieczności układu hydraulicznego jest ogromna. Zapewniają czystość oleju, optymalną temperaturę i stabilność ciśnienia.
-
Filtry:
- Filtr ssawny (okrąg z kropkami wewnątrz, umieszczony w zbiorniku).
- Filtr ciśnieniowy (okrąg z kropkami wewnątrz, umieszczony na linii ciśnieniowej).
- Filtr powrotny (okrąg z kropkami wewnątrz, umieszczony na linii powrotnej).
- Chłodnice: Symbolizowane jako prostokąt z dwoma trójkątami skierowanymi na zewnątrz, często z linią falistą w środku.
- Grzałki: Symbolizowane podobnie do chłodnic, ale z trójkątami skierowanymi do wewnątrz.
- Manometry: Okrąg z literą "P" (Pressure) w środku.
- Akumulatory hydrauliczne: Symbolizowane jako okrąg z linią poziomą (membrana) lub sprężyną w środku. Służą do magazynowania energii i tłumienia pulsacji ciśnienia.

Żyły układu hydraulicznego co oznaczają różne rodzaje linii na schemacie?
Linie na schemacie to nie tylko połączenia, ale także nośniki informacji o funkcji i charakterze przepływu. Ich poprawne odczytanie jest kluczowe dla zrozumienia, co dzieje się w danym punkcie układu. Zwracaj na nie szczególną uwagę, bo często to właśnie one bywają źródłem błędów interpretacyjnych.
- Linia ciągła gruba: To główna linia robocza. Oznacza przepływ oleju pod ciśnieniem roboczym, zarówno w linii zasilającej, jak i powrotnej. To "autostrada" dla oleju w układzie.
- Linia przerywana: Symbolizuje linię sterującą, zwaną również pilotażową. Przenosi sygnały ciśnieniowe, które sterują pracą innych elementów, np. otwierają lub zamykają zawory.
- Linia kropkowana: Oznacza linię do odprowadzania przecieków. W wielu elementach hydraulicznych (np. w pompach, silnikach, niektórych zaworach) występują kontrolowane przecieki, które muszą być odprowadzone do zbiornika. Ta linia wskazuje ich drogę.
- Linia falista: Symbolizuje połączenie elastyczne, czyli wąż hydrauliczny. Jest to ważne, ponieważ węże mają inne właściwości (np. elastyczność, odporność na drgania) niż sztywne rury.
Praktyczny warsztat czytamy schemat hydrauliczny krok po kroku
Teraz, gdy znasz już alfabet i podstawowe zasady, przejdźmy do praktyki. Profesjonaliści zalecają ustrukturyzowane podejście do czytania schematów. Pamiętaj, że schemat przedstawia układ w stanie spoczynku. Twoim zadaniem jest "ożywić" go w swojej wyobraźni. Oto moja sprawdzona metoda:
-
Krok 1: Zlokalizuj agregat zasilający i główne elementy wykonawcze.
Zawsze zaczynaj od serca układu pompy i zbiornika. Zidentyfikuj, skąd olej jest pobierany i dokąd wraca. Następnie znajdź główne elementy wykonawcze, czyli siłowniki lub silniki hydrauliczne. To one są celem działania układu i to wokół nich będzie koncentrować się Twoja analiza. Zrozumienie, co ma robić maszyna, jest kluczem do zrozumienia schematu.
-
Krok 2: Prześledź obieg główny w stanie spoczynku.
Gdy masz już zlokalizowane kluczowe elementy, prześledź drogę oleju od pompy, przez rozdzielacze, aż do zbiornika, ale w stanie spoczynku. Zobacz, którędy olej może swobodnie przepływać, a które drogi są zablokowane. Zwróć uwagę na to, że w tej pozycji układ jest nieaktywny, więc pomimo pracy pompy, elementy wykonawcze nie powinny się poruszać. Często olej w stanie spoczynku jest kierowany przez rozdzielacz bezpośrednio do zbiornika (tzw. obieg jałowy).
-
Krok 3: Symuluj działanie co się stanie po przełączeniu rozdzielacza?
To jest moment, w którym schemat ożywa. Wybierz jeden z rozdzielaczy i wyobraź sobie, że został on przełączony (np. cewka elektrozaworu została zasilana). Teraz śledź nową drogę przepływu oleju. Gdzie popłynie olej pod ciśnieniem? Które przyłącza siłownika zostaną zasilone? W którą stronę poruszy się siłownik? Co stanie się z olejem powrotnym? Ta mentalna symulacja jest najważniejszym elementem nauki.
-
Krok 4: Zidentyfikuj obwody sterujące, zabezpieczające i pomocnicze.
Po zrozumieniu podstawowego obiegu roboczego, przejdź do analizy obwodów drugorzędnych. Zlokalizuj linie sterujące (przerywane) i zobacz, które zawory są nimi sterowane. Zidentyfikuj zawory zabezpieczające (np. przelewowe) i zrozum, jaką rolę pełnią w ochronie układu. Nie zapominaj o elementach pomocniczych, takich jak filtry, chłodnice czy akumulatory one również mają swoje miejsce i funkcje w ogólnym działaniu systemu.
Najczęstsze pułapki i błędy przy interpretacji jak ich unikać?
Z mojego doświadczenia wiem, że początkujący często wpadają w te same pułapki. Świadomość tych błędów pomoże Ci ich uniknąć i przyspieszy Twoją naukę:
- Mylenie symboli zaworów: Szczególnie zawory sterujące ciśnieniem i natężeniem przepływu mają subtelne różnice w symbolach. Zawsze dokładnie analizuj każdy detal symbolu, np. strzałki, sprężyny, linie sterujące. Nie zgaduj, tylko sprawdź w normie!
- Ignorowanie linii sterujących (pilotażowych): To bardzo częsty błąd. Linie przerywane są kluczowe dla zrozumienia, jak jeden element wpływa na drugi. Jeśli je zignorujesz, nie zrozumiesz logiki sterowania układem. Zawsze śledź je z taką samą uwagą jak linie główne.
- Błędne założenia dotyczące pozycji startowej: Jak już wspomniałem, schematy pokazują układ w stanie spoczynku. Próba interpretacji schematu w oparciu o założenie, że układ jest już aktywny, prowadzi do błędnych wniosków. Zawsze zaczynaj analizę od pozycji neutralnej.
- Niezrozumienie złożonych symboli rozdzielaczy: Rozdzielacze z wieloma położeniami i różnymi rodzajami sterowania mogą być przytłaczające. Poświęć im dodatkowy czas. Rozrysuj sobie każde położenie osobno, aby zrozumieć, jak zmienia się przepływ w zależności od aktywacji.
- Brak śledzenia przepływu w rozbudowanych układach: W skomplikowanych schematach z wieloma rozgałęzieniami łatwo się pogubić. Stosuj metodę "palca" dosłownie przejeżdżaj palcem po liniach na schemacie, śledząc drogę oleju. To pomaga utrzymać koncentrację i nie pominąć żadnego elementu.
Twoja droga do mistrzostwa jak skutecznie ćwiczyć i rozwijać umiejętność czytania schematów?
Opanowanie schematów hydrauliki siłowej to proces, który wymaga czasu i praktyki. Nie zniechęcaj się początkowymi trudnościami. Moją radą jest, aby zacząć od prostych układów na przykład schematu sterowania pojedynczym siłownikiem i stopniowo przechodzić do coraz bardziej złożonych. Każdy nowy schemat to nowa lekcja. Analizuj, rysuj, symuluj. Im więcej schematów "przeczytasz", tym szybciej zaczniesz dostrzegać powtarzające się wzorce i logikę.
Gdzie szukać materiałów do ćwiczeń? Świetnym źródłem są podręczniki do hydrauliki siłowej, katalogi producentów komponentów (często zawierają przykładowe schematy zastosowań), a także dokumentacje techniczne maszyn, z którymi pracujesz. Szukaj wiarygodnych źródeł, które bazują na normie PN-EN ISO 1219-1. Pamiętaj, że praktyka czyni mistrza, a każda minuta spędzona na analizie schematu to inwestycja w Twoje umiejętności i profesjonalny rozwój.
